oder

oder

« Zurück zur Übersicht
Kontaktfedern-fuer-USB-B-CuBe

USB-B Kontaktfedern

Merkmale

  • Kontaktfedern passend für alle USB-B-Steckverbinder
  • kontaktiert den Stecker mit der Frontplatte
  • bestmögliche Verbindung durch zusätzliches Anlöten des aufgesteckten Kontaktes
  • Material: Kupfer-Beryllium
  • andere Oberflächenbeschichtung auf Anfrage
  • Art.-Nr.: 621 01 228

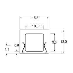
Technische Zeichnungen

Abmessungen in mm

Produktneuheiten

Unsere Services

Sie wünschen Beratung?

Wir freuen uns, wenn Sie mit uns Kontakt aufnehmen. Wir unterstützen Sie gerne!


THORA ist ISO 9001:2015 zertifiziert!