oder

oder

« Zurück zur Übersicht
Pine-Tree-Clip-Typ-PTC-Polyamid-schwarz

PTC Pine Tree Clip

Merkmale

  • selbstzentrierender Plattenbefestiger mit patentiertem geripptem Schaft
  • zuverlässige Verbindung ohne Schrauben, Muttern etc.
  • einfache Fingerdruckmontage
  • Wiederlösbarkeit anwendungsabhängig
  • für Löcher mit und ohne Gewinde sowie Sacklöcher
  • Einsatztemperatur: max. +105°C
  • Material: PA 6.6, UL94V-2
  • Farbe: schwarz oder natur

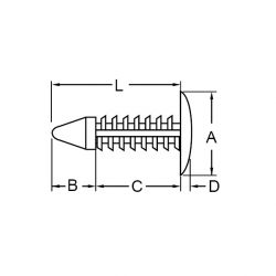
Technische Zeichnungen

Abmessungen in mm

Produktvarianten

Typen, Maße und weitere Daten
Art.-Nr.TypA (mm)B (mm)C (mm)D (mm)L (mm)Loch-Ø (mm)Klemmbereich (mm)KopfformFarbeDatenblatt
1800301PTC-3,05,52,37,51,59,83,01,8 - 5,0Bschwarz Anfrage
1800304PTC-3,0/15,52,514,51,517,03,04,0 - 12,0Bschwarz Anfrage
1800303PTC-5,011,03,314,51,017,85,03,6 - 10,0Bschwarz Anfrage
1800302PTC-6,415,92,014,51,516,56,43,6 - 10,0Aschwarz Anfrage
1800305PTC-7,217,05,011,02,015,05,9-7,21,0 - 10,0Anatur Anfrage

Produktneuheiten

Unsere Services

Sie wünschen Beratung?

Wir freuen uns, wenn Sie mit uns Kontakt aufnehmen. Wir unterstützen Sie gerne!


THORA ist ISO 9001:2015 zertifiziert!