oder

oder

« Zurück zur Übersicht
Powerelemente-Typ-PE-THR-B-THT-Loettechnologie-Messing

PE-THR-B Powerelemente

Merkmale

  • THT-Löttechnologie
  • als Wire-to-Board und Board-to-Board Verbindung im Hochstrombereich oder als Befestigung von Leiterplatten an Gehäusen bzw. Kabel auf Leiterplatte
  • Material: Messing verzinnt
  • Stärke Lötpaste: 150µm
  • Hitzebeständigkeit: -55°C bis +150°C
  • Verpackung: lose, Tape and Reel
  • andere Größen und Ausführungen auf Anfrage

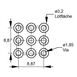
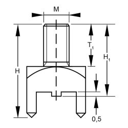
Technische Zeichnungen

Abmessungen in mm
Pin- und Bohrlochabmessungen

Produktvarianten

Typen, Maße und weitere Daten
Art.-Nr.TypMH (mm)H1 (mm)T1 (mm)L (mm)Anzahl PinsIR (A)AnzugsdrehmomentDatenblatt
30403085THRBPE-THR-B-M3x8,5M311,08,55,07,04500,5 Nm Anfrage
30404085THRBPE-THR-B-M4x8,5M411,08,55,07,04501,2 Nm Anfrage
30404086THRBPE-THR-B-M4x8,5M411,08,55,010,09851,2 Nm Anfrage
30405105THRBPE-THR-B-M5x10,5M513,010,57,07,04502,2 Nm Anfrage
30405106THRBPE-THR-B-M5x10,5M513,010,57,010,09852,2 Nm Anfrage

Produktneuheiten

Unsere Services

Sie wünschen Beratung?

Wir freuen uns, wenn Sie mit uns Kontakt aufnehmen. Wir unterstützen Sie gerne!


THORA ist ISO 9001:2015 zertifiziert!