oder

oder

« Zurück zur Übersicht
Kabelhalter-Typ-PA-Nylon-natur

PA Kabelhalter

Merkmale

  • Klebemontage
  • sicherer Halt durch integrierte Kunststofffeder auch für einzelne Litzen und Kabel
  • Material: Nylon 6, UL94V-2
  • Farbe: natur

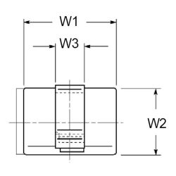
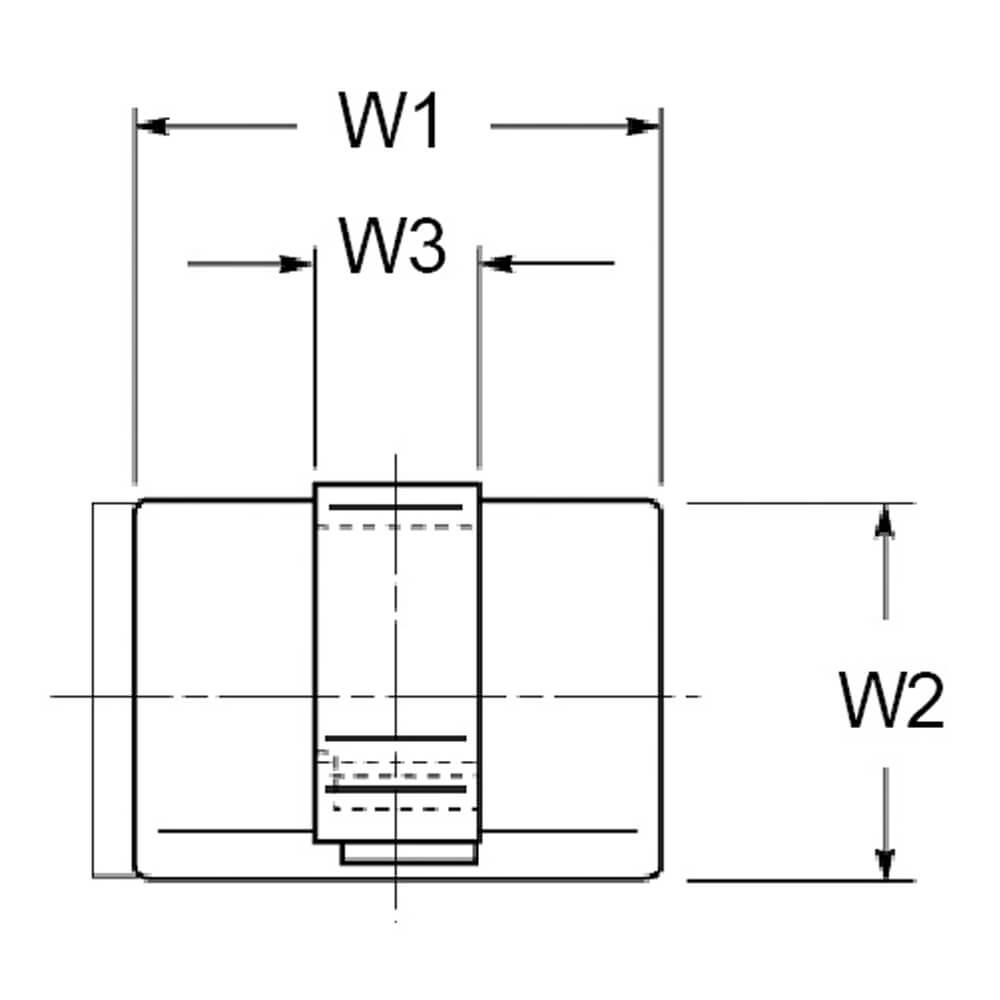
Technische Zeichnungen

Abmessungen in mm

Produktvarianten

Typen, Maße und weitere Daten
Art.-Nr.Typfür Kabel-Ø (mm)H1 (mm)H2 (mm)H3 (mm)W1 (mm)W2 (mm)W3 (mm)Datenblatt
2221610PA-10N2,17,41,48,519,610,06,0 Anfrage
2221612PA-20N4,510,61,411,719,614,26,0 Anfrage
2221614PA-30N8,017,52,218,619,621,38,0 Anfrage

Produktneuheiten

Unsere Services

Sie wünschen Beratung?

Wir freuen uns, wenn Sie mit uns Kontakt aufnehmen. Wir unterstützen Sie gerne!


THORA ist ISO 9001:2015 zertifiziert!