oder

oder

« Zurück zur Übersicht
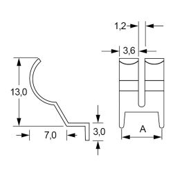
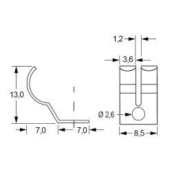
Kontaktfeder-Typen-LP-CL6L-LP-CL6P-CuBe

LP-CL6L, LP-CL6P Kontaktfedern

Merkmale

  • Löt-, Schraub- oder Nietmontage
  • Materialstärke: 0,127mm
  • Material: Cu-Be
  • andere Längen und Oberflächen auf Anfrage

Technische Zeichnungen

Abmessungen in mm

Produktvarianten

Typen, Maße und weitere Daten
Art.-Nr.TypAnzahl der FingerA (mm)Datenblatt
62101180LP-CL6L2- Anfrage
62101181LP-CL6P25,0 Anfrage

Produktneuheiten

Unsere Services

Sie wünschen Beratung?

Wir freuen uns, wenn Sie mit uns Kontakt aufnehmen. Wir unterstützen Sie gerne!


THORA ist ISO 9001:2015 zertifiziert!