oder

oder

« Zurück zur Übersicht
Kontaktfeder-Typ-CO-Q-CuBe

CO-Q Kontaktfedern

Merkmale

  • Materialstärke:
    – Typ CO-Q1: 0,15mm
    – Typ CO-Q6: 0,13mm
  • Material: Cu-Be
  • andere Längen und Oberflächen auf Anfrage

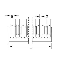
Technische Zeichnungen

Abmessungen in mm

Produktvarianten

Typen, Maße und weitere Daten
Art.-Nr.TypA (mm)a (mm)B (mm)b (mm)D (mm)H (mm)L (mm)Datenblatt
6210178CO-Q19,41,61,50,86,45,1406,0 Anfrage
6210183CO-Q69,11,32,00,65,64,1408,0 Anfrage

Produktneuheiten

Unsere Services

Sie wünschen Beratung?

Wir freuen uns, wenn Sie mit uns Kontakt aufnehmen. Wir unterstützen Sie gerne!


THORA ist ISO 9001:2015 zertifiziert!