oder

oder

« Zurück zur Übersicht
Kontaktfeder-Typ-CO-P-CuBe

CO-P Kontaktfedern

Merkmale

  • Typ CO-P bis CO-P6 auch mit D-Lanzen lieferbar
  • Materialstärke:
    – Typ CO-P: 0,13mm
    – Typ CO-P4 bis CO-P6: 0,15mm
    – Typ CO-P7: 0,08mm
  • Material: Cu-Be
  • andere Längen und Oberflächen auf Anfrage

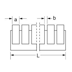
Technische Zeichnungen

Abmessungen in mm

Produktvarianten

Typen, Maße und weitere Daten
Art.-Nr.TypA (mm)a (mm)B (mm)b (mm)D (mm)H (mm)L (mm)Datenblatt
6210168CO-P9,75,41,81,06,45,1406,0 Anfrage
6210172CO-P412,253,21,51,67,557,2402,0 Anfrage
6210173CO-P512,253,22,01,67,557,2407,0 Anfrage
6210174CO-P612,253,23,01,66,37,2407,0 Anfrage
6210175CO-P74,62,81,00,43,82,3307,0 Anfrage

Produktneuheiten

Unsere Services

Sie wünschen Beratung?

Wir freuen uns, wenn Sie mit uns Kontakt aufnehmen. Wir unterstützen Sie gerne!


THORA ist ISO 9001:2015 zertifiziert!