oder

oder

« Zurück zur Übersicht
Kabelhalter-Typ-CA-Stahlblech-PVC-Ueberzug-elfenbein

CA Metall-Kabelhalter mit PVC-Überzug

Merkmale

  • Klebemontage
  • optimale elektrische Isolierung
  • Material: Stahlblech verzinkt, PVC-Überzug SS-108
  • Farbe: elfenbein

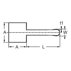
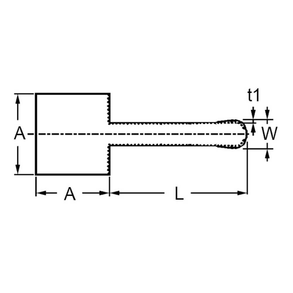
Technische Zeichnungen

Abmessungen in mm

Produktvarianten

Typen, Maße und weitere Daten
Art.-Nr.TypA (mm)L (mm)W (mm)t1 (mm)t2 (mm)Datenblatt
2201220CA-88,015,02,10,2+0,2/-0,051,0±0,5 Anfrage
2201221CA-1414,025,03,50,2+0,2/-0,051,0±0,5 Anfrage
2201222CA-1919,030,04,00,2+0,2/-0,051,0±0,5 Anfrage

Produktneuheiten

Unsere Services

Sie wünschen Beratung?

Wir freuen uns, wenn Sie mit uns Kontakt aufnehmen. Wir unterstützen Sie gerne!


THORA ist ISO 9001:2015 zertifiziert!