oder

oder

« Zurück zur Übersicht
Kabelhalter-Typ-ARC-Polypropylen-grau

ARC Kabelhalter

Merkmale

  • Schraub- bzw. Klebemontage
  • wiederlösbar
  • hält Kabelbündel von Ø = 4,8mm - 17,5mm
  • Material Polypropylen, UL94HB
  • Farbe: weiß, grau

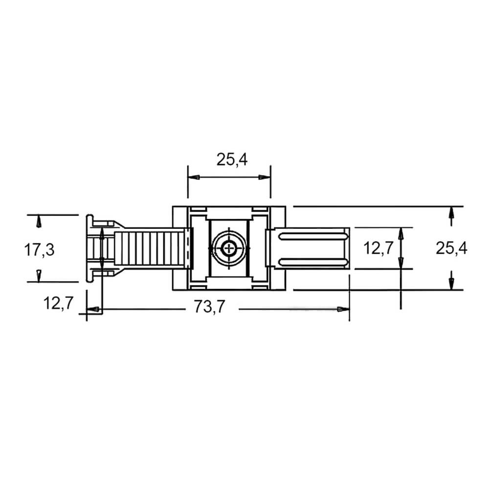
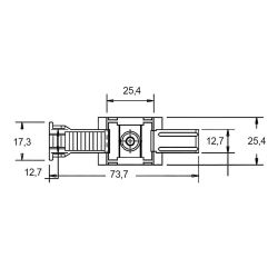
Technische Zeichnungen

Abmessungen in mm

Produktvarianten

Typen, Maße und weitere Daten
Art.-Nr.TypBefestigungsartFarbeDatenblatt
2200701WARC.68-Aselbstklebendweiß Anfrage
2200701ARC.68-A-14selbstklebendgrau Anfrage
2200702WARC.68-S6für Schrauben M3weiß Anfrage
2200702ARC.68-S6-14für Schrauben M3grau Anfrage

Produktneuheiten

Unsere Services

Sie wünschen Beratung?

Wir freuen uns, wenn Sie mit uns Kontakt aufnehmen. Wir unterstützen Sie gerne!


THORA ist ISO 9001:2015 zertifiziert!