oder

oder

« Zurück zur Übersicht
Achsdaempfer-Typ-AD-FB5-PC-grau

AD-FB5 Achsdämpfer

Merkmale

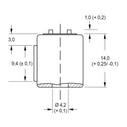
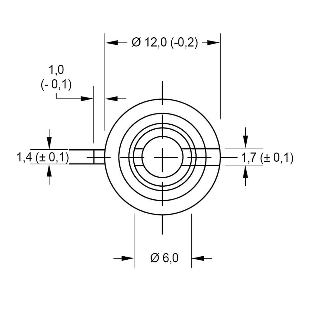
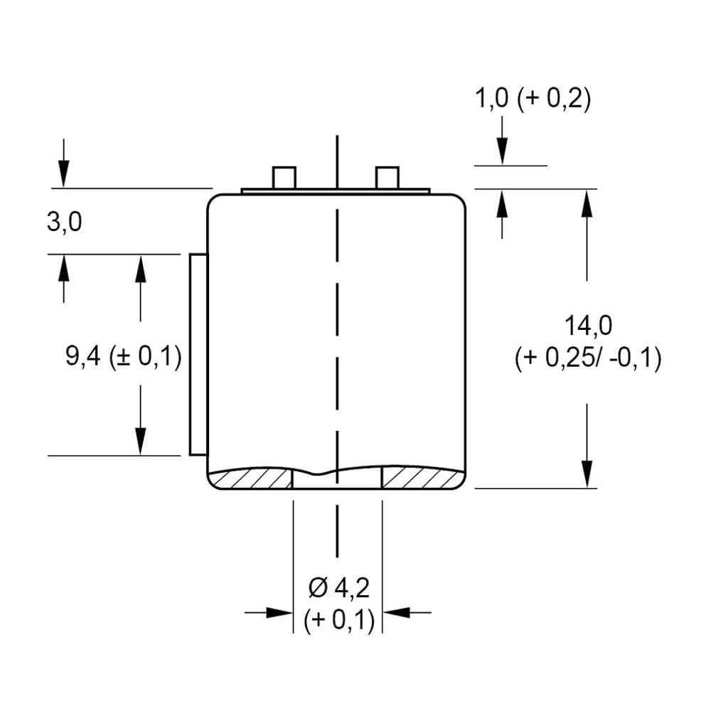
  • Achsdämpfer 360° frei rotierend, Ø x L = 12,0mm x 14,0mm und Rippen S x H = 1,7mm x 1,0mm
  • Drehmomente: 3,4Ncm bis 6,2Ncm
    (nach 20 U/min. bei 20°C, 100% getestet! → siehe Tabelle)
  • Lebensdauer: 50.000 Zyklen (1 Zyklus = 1 Umdrehung im Uhrzeigersinn + 1 Umdrehung gegen den Uhrzeigersinn)
  • Temperaturbereich: -30°C bis +90°C
  • Material:
    – Basis: PC
    – Rotor: POM
    – O-Ring: NBR
    – Flüssigkeit: Silikonöl
  • Farbe: grau
  • weitere Farben, Abmessungen und Größen auf Anfrage

Technische Zeichnungen

Abmessungen in mm

Produktvarianten

Typen, Maße und weitere Daten
Art.-Nr.TypDrehmomentDatenblatt
17003034AD-FB5-0343,4 Ncm±0,5 Anfrage
17003050AD-FB5-0505 Ncm±0,85 Anfrage
17003062AD-FB5-0626,2 Ncm±0,85 Anfrage

Produktneuheiten

Unsere Services

Sie wünschen Beratung?

Wir freuen uns, wenn Sie mit uns Kontakt aufnehmen. Wir unterstützen Sie gerne!


THORA ist ISO 9001:2015 zertifiziert!