oder

oder

« Zurück zur Übersicht
Achsdaempfer-Typ-AD-FA1-PC-weiss

AD-FA1 Achsdämpfer

Merkmale

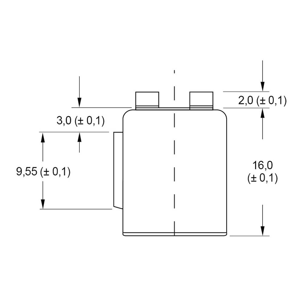
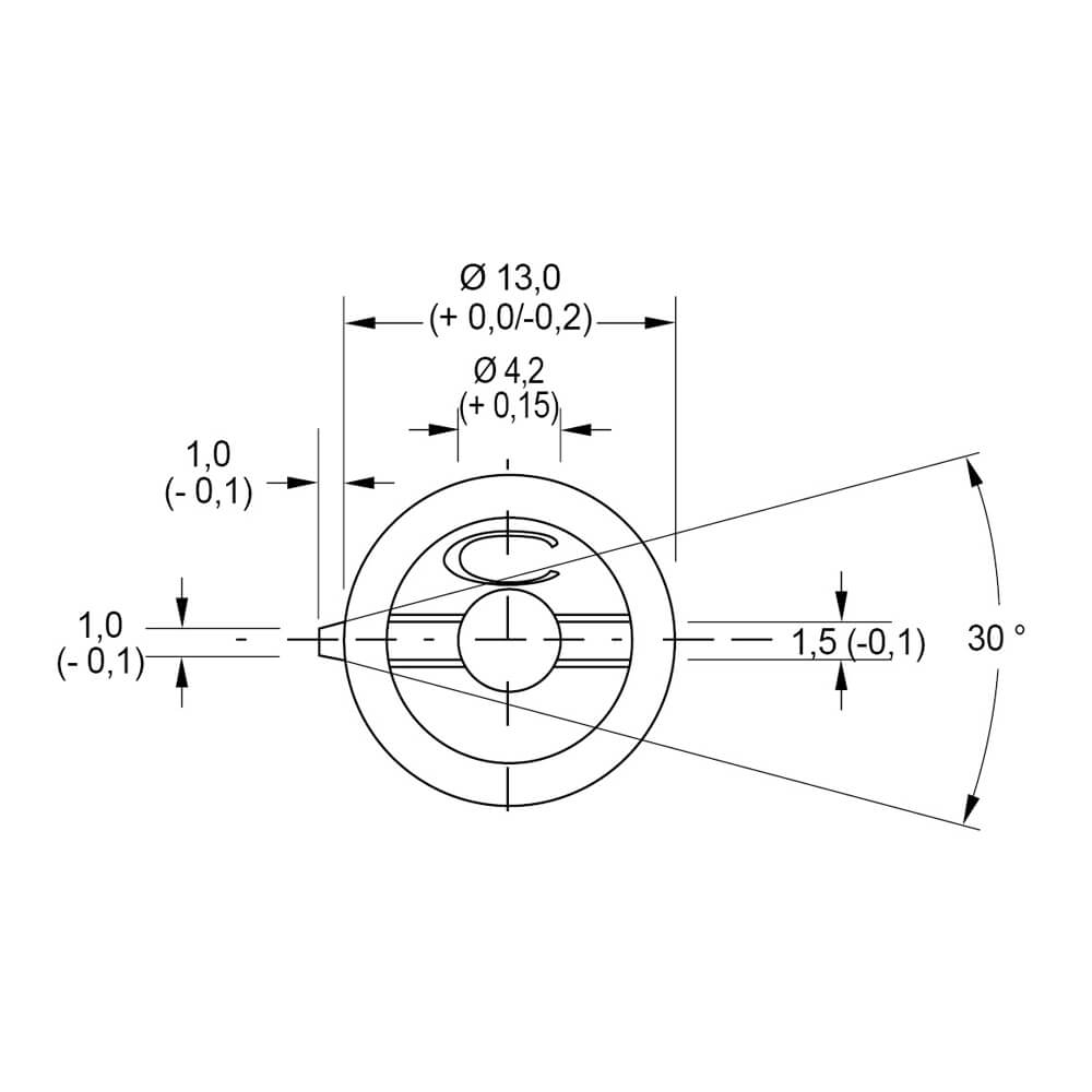
  • Achsdämpfer 360° frei rotierend, Ø x L = 13,0mm x 16,0mm und Rippen S x H = 1,5mm x 2,0mm
  • Drehmomente: 5Ncm bis 11Ncm
    (nach 20 U/min. bei 20°C, 100% getestet! → siehe Tabelle)
  • Lebensdauer: 50.000 Zyklen (1 Zyklus = 1 Umdrehung im Uhrzeigersinn + 1 Umdrehung gegen den Uhrzeigersinn)
  • Temperaturbereich: -30°C bis +90°C
  • Material:
    – Basis: PC
    – Rotor: POM
    – O-Ring: NBR
    – Flüssigkeit: Silikonöl
  • Farbe: weiß
  • weitere Farben, Abmessungen und Größen auf Anfrage

Technische Zeichnungen

Abmessungen in mm

Produktvarianten

Typen, Maße und weitere Daten
Art.-Nr.TypDrehmomentDatenblatt
17002050AD-FA1-0505 Ncm±0,85 Anfrage
17002080AD-FA1-0808 Ncm±1,1 Anfrage
17002100AD-FA1-10010 Ncm±1,5 Anfrage
17002110AD-FA1-11011 Ncm+2,0/-1,0 Anfrage

Produktneuheiten

Unsere Services

Sie wünschen Beratung?

Wir freuen uns, wenn Sie mit uns Kontakt aufnehmen. Wir unterstützen Sie gerne!


THORA ist ISO 9001:2015 zertifiziert!