oder

oder

« Zurück zur Übersicht

AD-DD Axialdämpfer

Merkmale

  • Material Freilaufbuchse: AISI304
  • Material Rotor: POM
  • Material Basis: PA66GF15
  • Material Kappe: POM
  • Material O-Ring: NBR
  • Material Pins: AISI304
  • Material Freilauf Rotor: Sint D32
  • Flüssigkeit: Silikonöl
  • Lebensdauer: bis zu 50.000 Zyklen, abhängig von Drehmoment
  • Temperaturbereich: -30°C bis +80°C

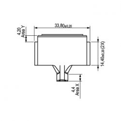
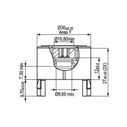
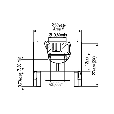
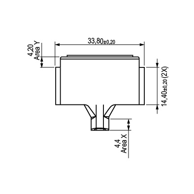
Technische Zeichnungen

Abmessungen in mm

Produktvarianten

Typen, Maße und weitere Daten
Art.-Nr.TypDrehmomentFarbeDatenblatt
17013058AD-DD-5857,5Ncm ±7,5schwarz Anfrage
17013085AD-DD-8585,0Ncm ±12weiß Anfrage
17013110AD-DD-110110,0Ncm ±15grau Anfrage
17013130AD-DD-130130,0Ncm ±18rosa Anfrage

Produktneuheiten

Unsere Services

Sie wünschen Beratung?

Wir freuen uns, wenn Sie mit uns Kontakt aufnehmen. Wir unterstützen Sie gerne!


THORA ist ISO 9001:2015 zertifiziert!