oder

oder

« Zurück zur Übersicht
Achsdaempfer-Typ-AD-BA-Polyamid-weiss

AD-BA Achsdämpfer

Merkmale

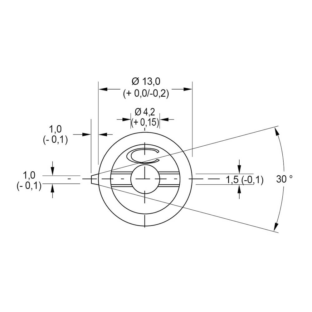
  • Achsdämpfer 2x 155°, Ø x L = 13,0mm x 16,0mm und Rippen S x H = 1,5mm x 2,0mm
  • Drehmomente: 15Ncm und 20Ncm
  • Lebensdauer: 50.000 Zyklen (1 Zyklus = 1 Umdrehung im Uhrzeigersinn + 1 Umdrehung gegen den Uhrzeigersinn, danach 2 Sekunden Pause)
  • Temperaturbereich: -30°C bis +90°C
  • Material:
    – Basis: PA 6 GF15
    – Rotor: POM
    – O-Ring: NBR
    – Flüssigkeit: Silikonöl
  • Farbe: weiß
  • weitere Farben, Abmessungen und Größen auf Anfrage

Technische Zeichnungen

Abmessungen in mm

Produktvarianten

Typen, Maße und weitere Daten
Art.-Nr.TypDrehmomentDatenblatt
17001150AD-BA-15015 Ncm±2,4 Anfrage
17001200AD-BA-20020 Ncm±3 Anfrage

Produktneuheiten

Unsere Services

Sie wünschen Beratung?

Wir freuen uns, wenn Sie mit uns Kontakt aufnehmen. Wir unterstützen Sie gerne!


THORA ist ISO 9001:2015 zertifiziert!